
类别:办公学习大小:79.4M版本:v2.4.4 安卓版时间:2025-11-10




钢筋大师app是一款专为建筑工程从业者打造的钢筋计算专业工具,能够快速准确地完成各类钢筋用量的测算工作。这里有完整的标准图集和规范数据库,支持钢筋下料长度计算、锚固搭接查询、材料重量换算及等强代换等实用功能。现场施工人员、结构设计师和土木工程学生,都能用它轻松完成专业计算,有效提升工作效率并确保工程数据的准确性。
1、打开软件,阅读服务协议和隐私政策,点击同意并接受即可进入首页。

2、进入首页,可以看到各类专业的标准构造类别,你可以按需查看。

3、在首页点击梁标准构造,可以查看具体的专业板块。

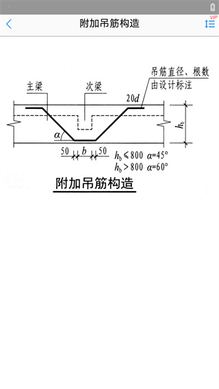
4、点击附加吊筋构造,可以查看具体的专业图纸。

1、完整收录建筑工程标准图集和规范资料库,支持按页码索引和关键词搜索双模式快速定位所需内容。
2、专业计算模块涵盖钢筋重量测算、锚固长度确定及等强代换等核心功能,确保计算结果的精确可靠。
3、智能收藏系统可分类保存常用数据和计算记录,建立个人专属资料库便于日常工作中快速调用。
1、实时显示规范条文所在具体页码,配合图文详解使查询结果更加直观易懂便于实际操作。
2、特殊构造做法模块提供专业解决方案库,针对不同施工场景的特殊需求给出可靠处理建议。
3、智能引导系统分步骤提示操作流程,有效辅助各类用户快速完成复杂工程计算任务。
1、界面布局科学合理功能分区明确,重要工具模块均设置在醒目位置便于快速调用使用。
2、计算数据准确可靠完全符合行业标准,在实际工程项目应用中获得专业人员广泛认可。
3、学习成本较低掌握速度较快,新手经过简单指导就能独立完成基础工程计算任务。
1、实用功能全面覆盖钢筋计算全流程,特别适合施工现场人员随时查询和专业计算使用。
2、专业数据经过严格校对和实时更新,确保所有计算结果的准确性和时效性得到保障。
3、持续维护更新保持与最新规范同步,为使用者提供长期稳定的专业技术支持服务。
厂商名称:
官网:暂无
包名:com.CDAStudio.ReinforcingBarAndroid
名称:钢筋大师
MD5值:4F02BD0B6D86ECDFCFD8898ECE6B6B6B

i国网最新版本2025
办公学习 / 591.0M / 2025-10-15下载
2025qq邮箱官方正版下载
办公学习 / 102M / 2025-09-26下载
Epson Smart Panel安卓版
办公学习 / 159.4M / 2025-09-25下载
船讯网
办公学习 / 28.5M / 2025-09-09下载
好课课程app下载
办公学习 / 118.0M / 2025-09-04下载
豆包爱学app免费版下载2025下载安装
办公学习 / 120.7M / 2025-08-27下载
儿童早教英语最新版下载
办公学习 / 229.2M / 2025-08-26下载
华为云盘app最新版下载(云空间)
办公学习 / 42.1M / 2025-08-06下载
用户评论